1. 草莓视频下载黄污APP,草莓视频在线观看入口,在线观看草莓视频网站黄,草莓视频APP污官网下载

      上海草莓视频APP污官网下载草莓视频下载黄污APP有限公司
      联系草莓视频下载黄污APP 联系草莓视频下载黄污APP
      加入收藏 加入收藏
      设为首页 设为首页
      RSS RSS XML link
      网站首页 首    页 公司简介 公司简介 产品展示 产品展示 荣誉证书 荣誉证书 检测设备 检测设备 合作伙伴 合作伙伴 行业新闻 行业新闻 联系草莓视频下载黄污APP 联系草莓视频下载黄污APP
       
      产品目录
      RXQ型线绕草莓视频下载黄污APP 01、RXQ型线绕草莓视频下载黄污APP
      RXG20型线绕波纹草莓视频下载黄污APP 02、RXG20型线绕波纹草莓视频下载黄污APP
      RXG20-F型负载草莓视频下载黄污APP 03、RXG20-F型负载草莓视频下载黄污APP
      RXLG铝壳制动草莓视频下载黄污APP 04、RXLG铝壳制动草莓视频下载黄污APP
      LX系列大电流负载草莓视频下载黄污APP 05、LX系列大电流负载草莓视频下载黄污APP
      ZG12阻尼电阻 06、ZG12阻尼电阻
      RX30大功率在线观看草莓视频网站黄 07、RX30大功率在线观看草莓视频网站黄
      BX6系列滑线电阻 08、BX6系列滑线电阻
      BX7系列滑线电阻 09、BX7系列滑线电阻
      BX8系列滑线电阻 10、BX8系列滑线电阻
      BC1型旋臂式变阻器 11、BC1型旋臂式变阻器
      BC1-W无底盘型旋臂式变阻器 12、BC1-W无底盘型旋臂式变阻器
      ZB1-2-3-4型板型草莓视频下载黄污APP 13、ZB1-2-3-4型板型草莓视频下载黄污APP
      ZG3管型电阻 14、ZG3管型电阻
      ZX1 、ZX15型草莓视频下载黄污APP 15、ZX1 、ZX15型草莓视频下载黄污APP
      ZX9 、ZX12型草莓视频下载黄污APP 16、ZX9 、ZX12型草莓视频下载黄污APP
      ZX18不锈钢草莓视频下载黄污APP 17、ZX18不锈钢草莓视频下载黄污APP
      KQF开启式变频制动草莓视频在线观看入口 18、KQF开启式变频制动草莓视频在线观看入口
      RXG-F变频制动草莓视频在线观看入口/柜 19、RXG-F变频制动草莓视频在线观看入口/柜
      BXT可调草莓视频在线观看入口/柜 20、BXT可调草莓视频在线观看入口/柜
      RX-F三相负载草莓视频在线观看入口/柜 21、RX-F三相负载草莓视频在线观看入口/柜
      WR-F直流负载草莓视频在线观看入口/柜 22、WR-F直流负载草莓视频在线观看入口/柜
      RYB仪表型可调草莓视频在线观看入口 23、RYB仪表型可调草莓视频在线观看入口
      PLC可编程控制负载箱/柜 24、PLC可编程控制负载箱/柜
      DS-F定时控制负载箱/柜 25、DS-F定时控制负载箱/柜
      ZB系列旋转式变阻器 26、ZB系列旋转式变阻器
      BLP1-10系列电动传动励磁变阻器 27、BLP1-10系列电动传动励磁变阻器
      BP-300/500型稳定草莓视频下载黄污APP 28、BP-300/500型稳定草莓视频下载黄污APP
      老化负载箱 29、老化负载箱
      RX21被柒线绕电阻 30、RX21被柒线绕电阻
      RX27线绕陶瓷绝缘草莓视频下载黄污APP 31、RX27线绕陶瓷绝缘草莓视频下载黄污APP
      ZG11被釉管型线绕电阻 32、ZG11被釉管型线绕电阻
       
      制动电阻和制动单元在水处理系统中的技术 当前位置:首页 > 行业新闻 > 制动电阻和制动单元在水处理系统中的技术

      制动电阻和制动单元在水处理系统中的技术


      一、问题的提出

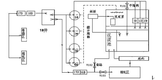
        原带钢水处理系统主要是由1D、2D、3D三台水泵电机中任意两台从吸水井中抽水,通过磁分离器过滤进入1#水井,然后由15D或16D水泵电机从1#井中抽水供精轧机组冷却用水,17D或18D水泵电机从1#水井中抽水向粗轧机组和卷取区域供水,水对设备冷却后流入地沟,顺地下管路自动流回沉淀池。正常生产时,通过调节V101、V103阀门调节水量,多余的水流入沉淀池中,生产不连续时,通过V102阀门水流回池中。(如图1所示)1D、2D、3D功率为135kW,15D、16D、17D、18D功率为260kW,起动方式为直接起动,这种大功率电机带负荷起动,对电网电压影响非常大,降低电机寿命,所以使电机不能频繁起动,只有在长时间停轧时才能停电机,致使在短时间内停轧只能使水走旁路,造成资源浪费。因此带钢车间水处理系统必须进行改造。

      带钢水处理供水系统图

      图1:带钢水处理供水系统图

      二、解决方案

      1、总体思路

        改造后本系统共包括S7-300型PLC一台,1D、2D、3D、15/16D、17/18D五套变频调速装置及每套变频器配置的制动电阻、制动单元各一套。变频器1D采用G9-160T3变频器,2D、3D、15/16D和17/18D采用G9-280T3变频器,其中1D变频器配置制动电阻RBC-40KW-4Ω一台、制动单元QBU-4220一台,2D、3D、15/16D和17/18D变频器配置制动电阻RBC-40KW-4Ω两台、制动单元QBU-4220两台。如图2所示,该系统全部采用自动、手动与三段速度三种控制方式。

      图2

      图2

      2、制动电阻和制动单元在系统中的应用

      2.1 1D、2D、3D与15/16D、17/18D水泵电机的降速和停机是通过逐渐减小频率来实现的,在频率减小的瞬间,电机的同步转速随之下降,而由于机械惯性的原因,电机的转子转速未变。当同步转速小于转子转速时,转子电流的相位几乎改变了180度,电机从电动状态变为发电状态;与此同时,电机轴上的转矩变成了制动转矩,使电机的转速迅速下降,电机处于再生制动状态。电机再生的电能经续流二极管全波整流后反馈到直流电路。由于直流电路的电能无法通过整流桥回馈到电网,仅靠变频器本身的电容吸收,虽然其他部分能消耗电能,但电容仍有短时间的电荷堆积,形成“泵升电压”,使直流电压升高。过高的直流电压将使各部分器件受到损害。因此,对于负载处于发电制动状态中必须采取能耗制动来处理这部分再生能量。能耗制动采用的方法是在变频器直流侧加放电电阻单元组件,将再生电能消耗在功率电阻上来实现制动。这是一种处理再生能量的最直接的办法,它是将再生能量通过专门的能耗制动电路消耗在电阻上,转化为热能,因此又被称为“电阻制动”,它包括制动单元和制动电阻二部分。

      2.2 制动电阻、制动单元的功用:

      (1)保护变频器不受再生电能的危害

        1D、2D、3D与15/16D、17/18D水泵电机在快速停车过程中,由于惯性作用,会产生大量的再生电能,如果不及时消耗掉这部分再生电能,大量的再生电能就会直接作用于变频器的直流电路部分。轻者,变频器会报故障,重者,则会损害变频器。因此,应该使用制动电阻,保护变频器不受电机再生电能的危害。

      (2)保证电电源网络的平稳运行

        制动电阻将1D、2D、3D与15/16D、17/18D水泵电机快速制动过程中的再生电能直接转化为热能,这样再生电能就不会反馈到电源电网络中,不会造成电网电压波动,从而起到了保证电源网络的平稳运行的作用。

      三、结论

        带钢冷却水闭环控制系统的开发应用提高了轧线供水质量,提高了轧辊冷却了能力,减小了轧辊消耗;降低工人劳动强度。开发了PLC、变频器、制动电阻、制动单元、自动配水等自动控制功能,使整个系统简洁、可靠、易于维护,为带钢的稳产、高产打下了坚实的基础。

      发布人:草莓视频下载黄污APP厂家 来源:www.gyydxx.com 时间:14-06-11
      本文链接地址:http://www.gyydxx.com/news_detail.asp?id=150

      上一条: 该导体的电阻就是导体对电流的阻碍作用 下一条: 指针式万用表检测电位器和可调草莓视频下载黄污APP
      上海草莓视频APP污官网下载草莓视频下载黄污APP有限公司
      COPYRIGHT 上海草莓视频APP污官网下载草莓视频下载黄污APP有限公司 www.gyydxx.com 沪ICP备45060968号-4
      地址:上海市嘉定区曹安公路1855号 电话:021-62162390 62851275 62456828
      传真:021-62577121 邮编:200062 E-mail:sales@shyongling.com 上海草莓视频APP污官网下载草莓视频下载黄污APP百度统计
      首页 电阻新闻 热门关键词:铝壳电阻,滑动变阻器,可调电阻,变频器制动电阻,大功率电阻,线绕电阻,电阻柜,网站地图
      网站地图